Przejdź do głównej treści

Eumat24 – hydraulika siłowa od 1992 roku

Fachowe doradztwo • Sprawdzone rozwiązania • Szybka realizacja wysyłek
Kontakt
Koszyk

Dzielnik strumienia 50:50 V-EQ8 1-3 L/min

OLEODINAMICA MARCHES
Przejdź do sekcji Opinie
Udostępnij
Cena 582,00 zł
Dostępność:
dostępny

Zamów do 12:00 a wyślemy jeszcze dziś!

Dzielnik strumienia pozwala na podział strumienia zasilającego na dwa identyczne strumienie (50/50) lub połączenie dwóch strumieni w jeden. Utrzymuje takie samo ciśnienie na dwóch wyjściach nie zależnie od ich obciążenia.

Przejdź do pełnego opisu
szt.
Dostawa od 16,99 zł - InPost Paczkomat® 24/7

Przewidywalny czas dostawy: 1-2 dni robocze.

Opis

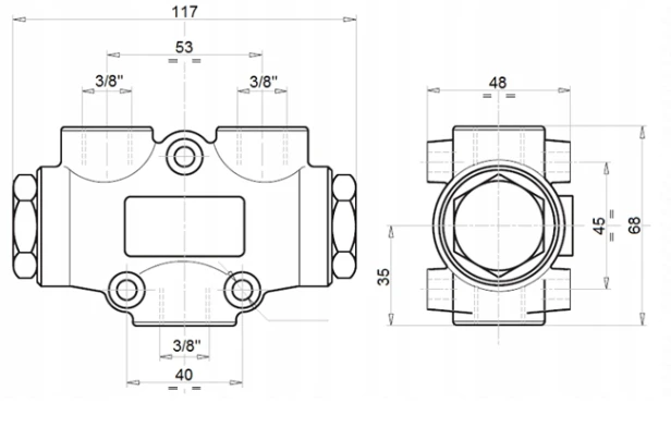
ZAWÓR HYDRAULICZNY DZIELNIK STRUMIENIA 50:50 V-EQ 8

 ZALECANY PRZEPŁYW WCHODZĄCY MIĘDZY 1 - 3 L/min

 


 Dzielnik strumienia pozwala dzielić olej na dwa identyczne strumienie. Strumień jest

dzielony zawsze równo, niezależnie od zmiany przepływu (w zalecanym przedziale), ciśnienia i

obciążenia poszczególnych odbiorników. Dzielnik może również łączyć dwa wchodzące strumienie

w jeden główny strumień.

Znajduje idealne zastosowanie w przypadku gdy dwa takie same siłowniki, pracujące niezależnie, zasilane

z jednej pompy i sterowane z jednego, tego samego dystrybutora  muszą pracować w równym tempie.

W większości przypadków zastosowanie zwykłego trójnika nie wystarczy.

 Zawór sprawdza się również w układach w których wymagany jest podział głównego strumienia oleju

wychodzącego z pompy na dwa równe i niezależne strumienia z których można stworzyć dwa

niezależne układy hydrauliczne. 

Aby dzielnik dzielił olej równo zaleca się utrzymanie przepływu oleju w przedziale zalecanym przez

producenta.

  Przyłącz P do linii zasilającej oraz A i B do odbiorników.

 Zalecany zakres przepływu wchodzącego na P: 1-3L/min 

 Ilość otworów hydraulicznych w korpusie: 3

 Gwinty wewnętrzne w korpusie [BSP]: 3/8''

 Materiał: żeliwo

Dopuszczalne maksymalne ciśnienie:  250bar 

Dopuszczalna temperatura otoczenia: -40 C do +60 C

Dopuszczalna temperatura oleju: -15 C do +80 C

Typ oleju: Olej hydrauliczny


Atrybuty

Podstawowe

  • Stan Nowy

Opinie

Liczba ocen: 0
Oceń i opisz

✅️ Wyświetlane są wszystkie opinie (pozytywne i negatywne). Nie weryfikujemy, czy pochodzą one od klientów, którzy używali produktu lub kupili dany produkt. Możemy moderować opinie, co oznacza, że treści niezgodne z Regulaminem nie będą opublikowane lub mogą być usunięte.

Bestsellery

    Formularz kontaktowy

    Masz pytania dotyczące tego produktu lub potrzebujesz pomocy? Skontaktuj się z nami mailowo, telefonicznie lub za pomocą formularza kontaktowego.

    REAL WORDS

    Reviews from real folks.

    LIAM JOHNSON dał ocenę: 4
    “It’s not just a drink. It’s a vibe. I sip it when I want to slow down.”
    Liam
    JAKE PARKER dał ocenę: 5
    “Frusento changed how I think about non-alcoholic drinks. It actually tastes alive.”
    Jake
    JAKE PARKER dał ocenę: 5
    “Frusento transformed my perspective on non-alcoholic beverages.”
    Jake
    LIAM JOHNSON dał ocenę: 1
    “It’s not just a drink. It’s a vibe. I sip it when I want to slow down.”
    Liam