Przejdź do głównej treści

Eumat24 – hydraulika siłowa od 1992 roku

Fachowe doradztwo • Sprawdzone rozwiązania • Szybka realizacja wysyłek
Kontakt
Koszyk

Silnik hydrauliczny BMR OMR SMR OMP chłonność 200cm3/obr, 300 obr/min, wałek-25, U-2 (do owijarki)

AMBERLINE
Przejdź do sekcji Opinie
Udostępnij
Cena 319,00 zł
Dostępność:
dostępny

Zamów do 12:00 a wyślemy jeszcze dziś!

Przepływ - 60 l/min, Prędkość - 300 obr/min, Ciśnienie - 120 bar, Moment obrotowy - 328Nm, Moc - 8,2 kW

Przejdź do pełnego opisu
szt.
Dostawa od 16,99 zł - InPost Paczkomat® 24/7

Przewidywalny czas dostawy: 1-2 dni robocze.

Opis

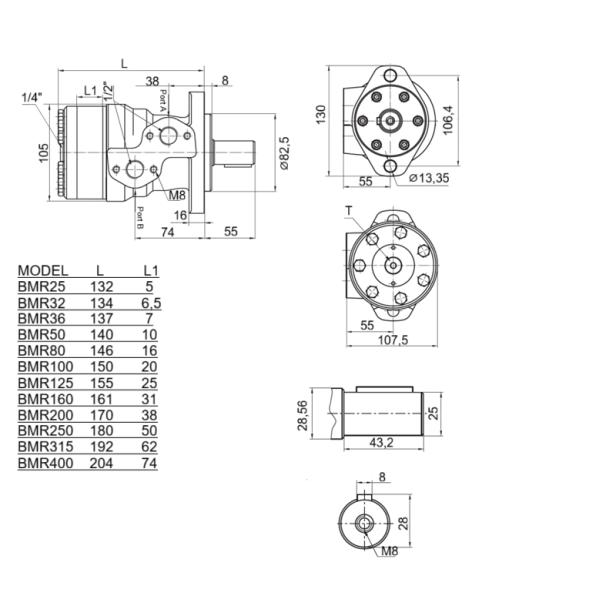
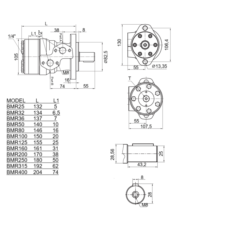
Silnik hydrauliczny typ BMR 200

obroty:300obr/min, wałek:25mm, chłonność:200cm3/obr


Silniki BMR to:

- solidna i kompaktowa konstrukcja

- konstrukcja rolkowa

- możliwość podłączenia szeregowego i równoległego

- z odpływem oleju wyciekowego

- szerokie łożysko ślizgowe wału

- wysokiej jakości uszczelnienia

- niski poziom hałasu

Dane techniczne:

Przepływ w pracy ciągłej max. (l/min) - 60

Prędkość obrotowa w pracy ciągłej max. (obr/min) - 300

Ciśnienie w pracy ciągłej max. (bar) - 120

Moc w pracy ciągłej max. (kW) - 8,2

Moment obrotowy w pracy ciągłej max. (Nm) - 328

 

Przepływ w pracy chwilowej max. (l/min) - 75

Prędkość obrotowa w pracy chwilowej max. (obr/min) - 375

Ciśnienie w pracy chwilowej max. (bar) - 175

Moc w pracy chwilowej max. (kW) - 15

Moment obrotowy w pracy chwilowej max. (Nm) - 446


- średnica gwintu przyłączy (BSP) - 1/2"

- średnica gwintu przyłącza spustowego (BSP) - 1/4"

- dopuszczalna temperatura otoczenia: -40°C do +80°C

-dopuszczalna temperatura oleju: -15°C do +80°C

- typ oleju: olej hydrauliczny 


Atrybuty

Podstawowe

  • Stan Nowy

Opinie

Liczba ocen: 0
Oceń i opisz

✅️ Wyświetlane są wszystkie opinie (pozytywne i negatywne). Nie weryfikujemy, czy pochodzą one od klientów, którzy używali produktu lub kupili dany produkt. Możemy moderować opinie, co oznacza, że treści niezgodne z Regulaminem nie będą opublikowane lub mogą być usunięte.

Bestsellery

    Formularz kontaktowy

    Masz pytania dotyczące tego produktu lub potrzebujesz pomocy? Skontaktuj się z nami mailowo, telefonicznie lub za pomocą formularza kontaktowego.

    REAL WORDS

    Reviews from real folks.

    LIAM JOHNSON dał ocenę: 4
    “It’s not just a drink. It’s a vibe. I sip it when I want to slow down.”
    Liam
    JAKE PARKER dał ocenę: 5
    “Frusento changed how I think about non-alcoholic drinks. It actually tastes alive.”
    Jake
    JAKE PARKER dał ocenę: 5
    “Frusento transformed my perspective on non-alcoholic beverages.”
    Jake
    LIAM JOHNSON dał ocenę: 1
    “It’s not just a drink. It’s a vibe. I sip it when I want to slow down.”
    Liam