Przejdź do głównej treści

Eumat24 – hydraulika siłowa od 1992 roku

Fachowe doradztwo • Sprawdzone rozwiązania • Szybka realizacja wysyłek
Kontakt
Koszyk

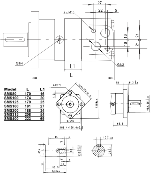
Silnik hydrauliczny SMS OMS OMR chłonność 315cm3/obr, 250 obr/min, wałek-32mm, U-4

AMBERLINE
Przejdź do sekcji Opinie
Udostępnij
Cena 535,00 zł
Dostępność:
dostępny

Zamów do 12:00 a wyślemy jeszcze dziś!

Przepływ - 75 l/min, Prędkość - 250 obr/min, Ciśnienie - 140 bar, Moment obrotowy - 560 Nm, Moc - 12,8 kW

Przejdź do pełnego opisu
szt.
Dostawa od 16,99 zł - InPost Paczkomat® 24/7

Przewidywalny czas dostawy: 1-2 dni robocze.

Opis

Silnik hydrauliczny typ  SMS 315

obroty:250obr/min, wałek:32mm, chłonność:315cm3/obr


Silniki SMS to:

- duże obciążenie osiowe i promieniowe osi oraz wysoki moment dokręcania

- solidna i kompaktowa konstrukcja

- konstrukcja rolkowa

- możliwość podłączenia szeregowego i równoległego

- z odpływem oleju wyciekowego

- łożyskowanie wałeczkowo stożkowe

- wysokiej jakości uszczelnienia

- niski poziom hałasu

Dane techniczne:

Przepływ w pracy ciągłej max. (l/min) - 75

Prędkość obrotowa w pracy ciągłej max. (obr/min) - 250

Ciśnienie w pracy ciągłej max. (bar) - 140

Moc w pracy ciągłej max. (kW) - 12,8

Moment obrotowy w pracy ciągłej max. (Nm) - 560

 

Przepływ w pracy chwilowej max. (l/min) - 115

Prędkość obrotowa w pracy chwilowej max. (obr/min) - 380

Ciśnienie w pracy chwilowej max. (bar) - 210

Moc w pracy chwilowej max. (kW) - 14,2

Moment obrotowy w pracy chwilowej max. (Nm) - 810


- średnica gwintu przyłączy (BSP) - 1/2"

- średnica gwintu przyłącza spustowego (BSP) - 1/4"

- dopuszczalna temperatura otoczenia: -40°C do +80°C

-dopuszczalna temperatura oleju: -15°C do +80°C

- typ oleju: olej hydrauliczny 


Atrybuty

Podstawowe

  • Stan Nowy

Opinie

Liczba ocen: 0
Oceń i opisz

✅️ Wyświetlane są wszystkie opinie (pozytywne i negatywne). Nie weryfikujemy, czy pochodzą one od klientów, którzy używali produktu lub kupili dany produkt. Możemy moderować opinie, co oznacza, że treści niezgodne z Regulaminem nie będą opublikowane lub mogą być usunięte.

Bestsellery

    Formularz kontaktowy

    Masz pytania dotyczące tego produktu lub potrzebujesz pomocy? Skontaktuj się z nami mailowo, telefonicznie lub za pomocą formularza kontaktowego.

    REAL WORDS

    Reviews from real folks.

    LIAM JOHNSON dał ocenę: 4
    “It’s not just a drink. It’s a vibe. I sip it when I want to slow down.”
    Liam
    JAKE PARKER dał ocenę: 5
    “Frusento changed how I think about non-alcoholic drinks. It actually tastes alive.”
    Jake
    JAKE PARKER dał ocenę: 5
    “Frusento transformed my perspective on non-alcoholic beverages.”
    Jake
    LIAM JOHNSON dał ocenę: 1
    “It’s not just a drink. It’s a vibe. I sip it when I want to slow down.”
    Liam