Przejdź do głównej treści

Eumat24 – hydraulika siłowa od 1992 roku

Fachowe doradztwo • Sprawdzone rozwiązania • Szybka realizacja wysyłek
Kontakt
Koszyk

Zawór do pługa obrotowego VRAP DE SV 80/100

OLEODINAMICA MARCHES
Przejdź do sekcji Opinie
Udostępnij
Cena 1 950,00 zł
Dostępność:
dostępny

Zamów do 12:00 a wyślemy jeszcze dziś!

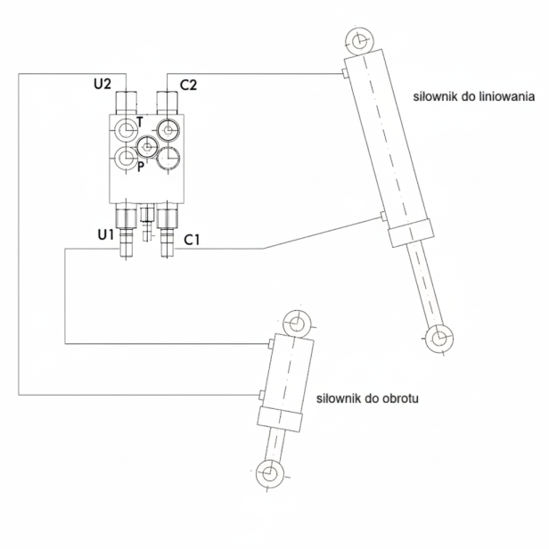
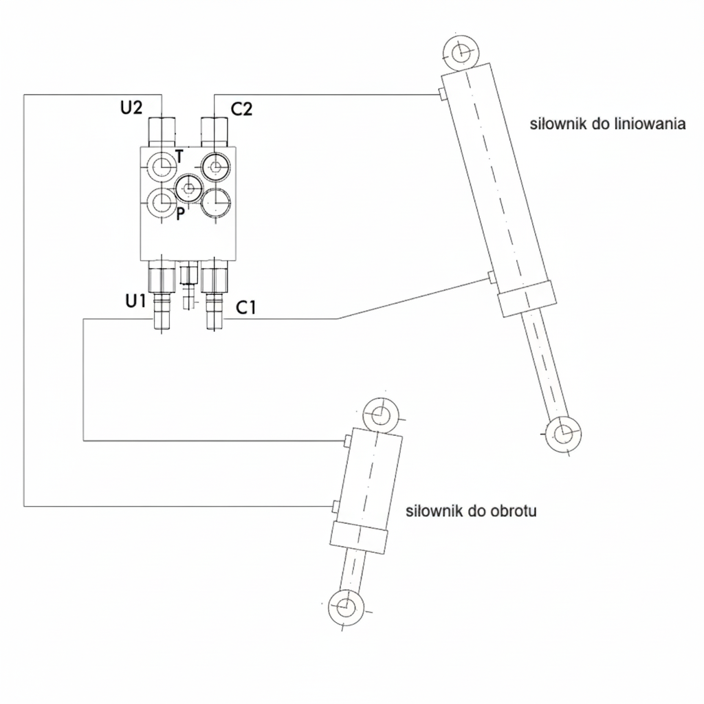
Zawór w pługach obracalnych z liniowaniem. Zapewnia automatyczne przełączenie przepływu oleju, co zapewnia zmianę ruchu siłownika i tym samym liniowanie i ruch obrotowy pługa. Wyposażony w zawory zwrotny. sterowany,

Przejdź do pełnego opisu
szt.
Dostawa od 16,99 zł - InPost Paczkomat® 24/7

Przewidywalny czas dostawy: 1-2 dni robocze.

Opis

ZAWÓR HYDRAULICZNY DO PŁUGA OBROTOWEGO

Z DWOMA CYLINDRAMI VRAP80/100 3/8" 

 

 Zawór do siłowników hydraulicznych w pługach obracalnych, stosowany we wszystkich

 pługach z dwoma siłownikami, w których średnica wewnętrzna cylindrów w obu siłownikach

 mieści się granicach między 80-100mm (średnica zew. w granicach między 90-120mm). 

Zawór, w odpowiednim momencie, automatycznie przełącza kierunek przepływu oleju,

 zmienia ruch siłowników i tym samym ruch obrotowy i pozycję ramy pługa.  Wyposażony

 w zawór zwrotny, który zapewnia zabezpieczenie pługa w ustawionej pozycji. 

 Podłączenie: Przyłącz C1 do tłoczyska siłownika liniowania oraz C2 do tłoka siłownika liniowania.

 Przyłącz U1 do tłoczyska siłownika obrotu oraz U2 do tłoka siłownika obrotu.

 Przyłącz P i T do gniazd w ciągniku lub do sekcji w rozdzielaczu hydraulicznym.

P- zasilanie, T-powrót. 

 Ilość otworów hydraulicznych w korpusie: 6

 Gwinty wewnętrzne w korpusie [BSP]: 3/8''

 Materiał: stal galwanizowana

Dopuszczalne maksymalne ciśnienie: 400bar

 Maksymalne ustawienie zaworu przełączającego: 230bar

 Fabryczne ustawienie zaworu przełączającego: 150bar

Dopuszczalna temperatura otoczenia: -40 C do +60 C

Dopuszczalna temperatura oleju: -15 C do +80 C

Typ oleju: Olej hydrauliczny na bazie oleju mineralnego

 



Atrybuty

Podstawowe

  • Stan Nowy

Opinie

Liczba ocen: 0
Oceń i opisz

✅️ Wyświetlane są wszystkie opinie (pozytywne i negatywne). Nie weryfikujemy, czy pochodzą one od klientów, którzy używali produktu lub kupili dany produkt. Możemy moderować opinie, co oznacza, że treści niezgodne z Regulaminem nie będą opublikowane lub mogą być usunięte.

Bestsellery

    Formularz kontaktowy

    Masz pytania dotyczące tego produktu lub potrzebujesz pomocy? Skontaktuj się z nami mailowo, telefonicznie lub za pomocą formularza kontaktowego.

    REAL WORDS

    Reviews from real folks.

    LIAM JOHNSON dał ocenę: 4
    “It’s not just a drink. It’s a vibe. I sip it when I want to slow down.”
    Liam
    JAKE PARKER dał ocenę: 5
    “Frusento changed how I think about non-alcoholic drinks. It actually tastes alive.”
    Jake
    JAKE PARKER dał ocenę: 5
    “Frusento transformed my perspective on non-alcoholic beverages.”
    Jake
    LIAM JOHNSON dał ocenę: 1
    “It’s not just a drink. It’s a vibe. I sip it when I want to slow down.”
    Liam