Przejdź do głównej treści

Eumat24 – hydraulika siłowa od 1992 roku

Fachowe doradztwo • Sprawdzone rozwiązania • Szybka realizacja wysyłek
Kontakt
Koszyk

Zawór przelewowy krzyżowy liniowy VAU 3/4"

OLEODINAMICA MARCHES
Przejdź do sekcji Opinie
Udostępnij
Cena 270,00 zł
Dostępność:
dostępny

Zamów do 12:00 a wyślemy jeszcze dziś!

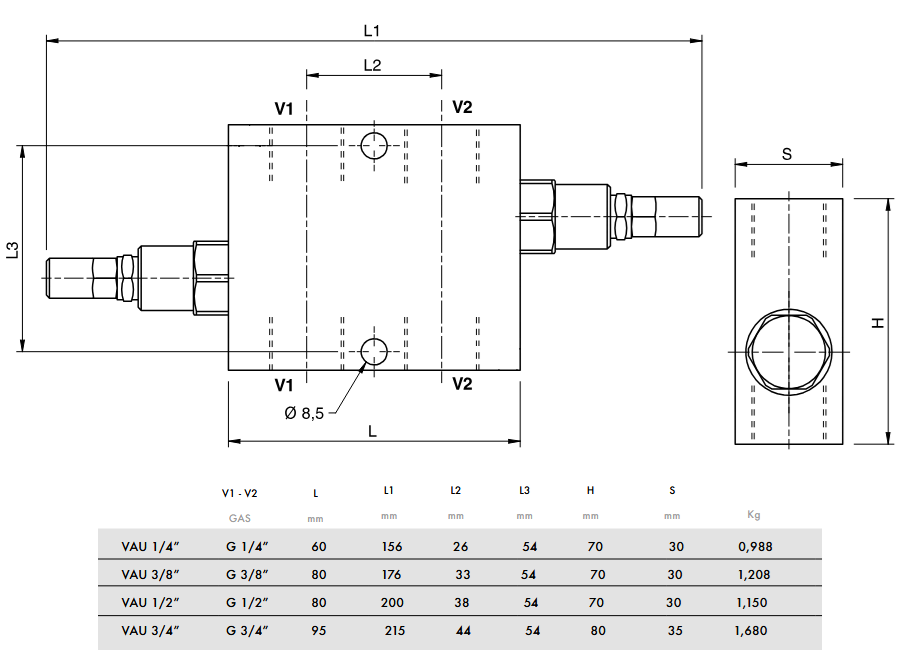
Zawór przelewowy krzyżowy ogranicza maksymalne ciśnienie na dwóch wejściach odbiornika. Pełni typową funkcję zabezpieczającą podczas nagłego przeciążenia układu. Gwinty wewnętrzne w korpusie 3/4", maksymalne ciśnienie 180bar, maksymalny przepływ 110L/min.

Przejdź do pełnego opisu
szt.
Dostawa od 16,99 zł - InPost Paczkomat® 24/7

Przewidywalny czas dostawy: 1-2 dni robocze.

Opis

ZAWÓR HYDRAULICZNY PRZELEWOWY KRZYŻOWY VAU 3/4"

Z REGULACJĄ CIŚNIENIA 10-180 BAR

 




Zawór przelewowy krzyżowy (bezpieczeństwa) inaczej szokowy służy do ograniczenia maksymalnego

ciśnienia na dwóch wejściach odbiornika. Stanowi idealną ochronę przed nagłym skokiem ciśnienia

oraz umożliwia ustawienie różnych ciśnień na dwóch wejściach układu hydraulicznego. 

Przeznaczony do kontroli ciśnień na siłownikach w ładowaczach czołowych i wózkach widłowych,

a także do płynnego wyhamowania silników hydraulicznych. Bardzo popularny zawór w owijarkach,

wiertnicach, świdrach, ładowarkach, ładowaczach i innych.


Przyłącz jedną stronę V1 i V2 do linii ciśnieniowych np. w rozdzielaczu hydraulicznym.

 Analogiczne wyjścia z drugiej strony V1 i V2 do portów przyłączeniowych odbiornika

 np. siłownika dwustronnego działania lub silnika hydraulicznego.


 Maksymalny przepływ: 110L/min

 Ilość otworów hydraulicznych w korpusie: 4

 Gwinty wewnętrzne w korpusie: 3/4''

 Zakres regulacji zaworów przelewowych: 10 - 180bar

 Fabryczne ustawienie zaworów przelewowych: 130bar

 Regulacja zaworów przelewowych: 45bar na pełen obrót 

 Materiał korpusu: stal galwanizowana

Dopuszczalne maksymalne ciśnienie: 180bar

 Dopuszczalna temperatura otoczenia: -40 C do +60 C  

Dopuszczalna temperatura oleju: -15 C do +80 C

Typ oleju: Olej hydrauliczny



Atrybuty

Podstawowe

  • Stan Nowy

Opinie

Liczba ocen: 0
Oceń i opisz

✅️ Wyświetlane są wszystkie opinie (pozytywne i negatywne). Nie weryfikujemy, czy pochodzą one od klientów, którzy używali produktu lub kupili dany produkt. Możemy moderować opinie, co oznacza, że treści niezgodne z Regulaminem nie będą opublikowane lub mogą być usunięte.

Bestsellery

    Formularz kontaktowy

    Masz pytania dotyczące tego produktu lub potrzebujesz pomocy? Skontaktuj się z nami mailowo, telefonicznie lub za pomocą formularza kontaktowego.

    REAL WORDS

    Reviews from real folks.

    LIAM JOHNSON dał ocenę: 4
    “It’s not just a drink. It’s a vibe. I sip it when I want to slow down.”
    Liam
    JAKE PARKER dał ocenę: 5
    “Frusento changed how I think about non-alcoholic drinks. It actually tastes alive.”
    Jake
    JAKE PARKER dał ocenę: 5
    “Frusento transformed my perspective on non-alcoholic beverages.”
    Jake
    LIAM JOHNSON dał ocenę: 1
    “It’s not just a drink. It’s a vibe. I sip it when I want to slow down.”
    Liam