Przejdź do głównej treści

Eumat24 – hydraulika siłowa od 1992 roku

Fachowe doradztwo • Sprawdzone rozwiązania • Szybka realizacja wysyłek
Kontakt
Koszyk

Zawór przelewowy zabezpieczający VMP 3/8" 50-250 bar

OLEODINAMICA MARCHES
Przejdź do sekcji Opinie
Udostępnij
Cena 132,00 zł
Dostępność:
dostępny

Zamów do 12:00 a wyślemy jeszcze dziś!

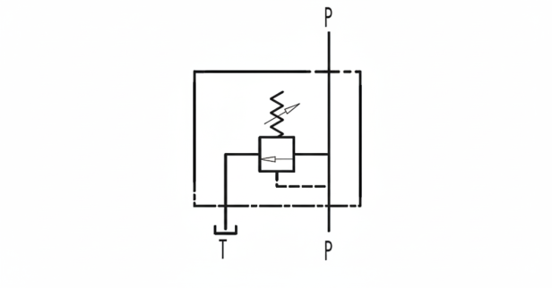
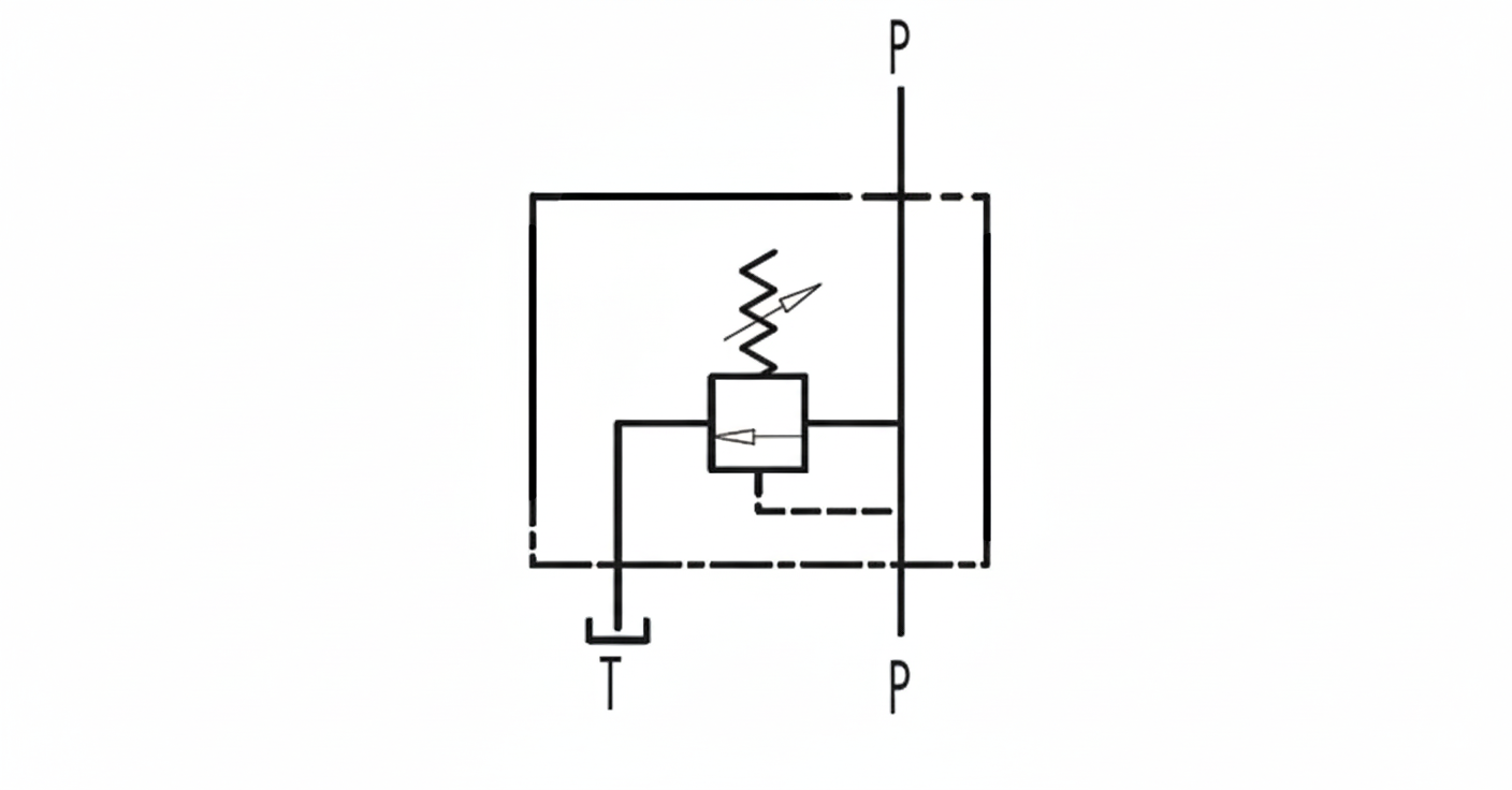
Zawór przelewowy (bezpieczeństwa) ogranicza maksymalne ciśnienie w układzie. Pełni typową funkcję zabezpieczającą podczas nagłego przeciążenia układu. Gwinty wewnętrzne w korpusie 3/8", maksymalne ciśnienie 250bar, maksymalny przepływ 45L/min.

Przejdź do pełnego opisu
szt.
Dostawa od 16,99 zł - InPost Paczkomat® 24/7

Przewidywalny czas dostawy: 1-2 dni robocze.

Opis

ZAWÓR HYDRAULICZNY PRZELEWOWY VMP 3/8"

Z REGULACJĄ CIŚNIENIA 50-250 bar  



Zawór przelewowy (bezpieczeństwa) służy do stabilizacji oraz ograniczenia maksymalnego ciśnienia

w całym układzie hydraulicznym lub określonej jego części. Pełni typową funkcję zabezpieczającą

podczas nieprzewidywalnego przeciążenia układu hydraulicznego. Regulacja zaworu odbywa się za

pomocą pokrętła, możliwość zabezpieczenia ustawień za pomocą nakrętki kontrującej.

Posiada wyjście do podłączenia manometru.

Podłączenie: Przyłącz oba porty P do linii hydraulicznej na której ma być kontrolowane ciśnienie.

Połącz T z linią powrotną (przelewem), prowadzącą do zbiornika oleju.

Maksymalny przepływ: 45L/min

Ilość otworów hydraulicznych w korpusie: 3 

Gwinty wewnętrzne w korpusie : 3/8''

Materiał: stal galwanizowana

Dopuszczalne maksymalne ciśnienie: 250bar  

Fabryczne ustawienie zaworu przelewowego: 130bar

Regulacja zaworu przelewowego: 45bar na pełen obrót

Dopuszczalna temperatura otoczenia: -40 C do +60 C  

Dopuszczalna temperatura oleju: -15 C do +80 C

Typ oleju: Olej hydrauliczny


 


 




Atrybuty

Podstawowe

  • Stan Nowy

Opinie

Liczba ocen: 0
Oceń i opisz

✅️ Wyświetlane są wszystkie opinie (pozytywne i negatywne). Nie weryfikujemy, czy pochodzą one od klientów, którzy używali produktu lub kupili dany produkt. Możemy moderować opinie, co oznacza, że treści niezgodne z Regulaminem nie będą opublikowane lub mogą być usunięte.

Bestsellery

    Formularz kontaktowy

    Masz pytania dotyczące tego produktu lub potrzebujesz pomocy? Skontaktuj się z nami mailowo, telefonicznie lub za pomocą formularza kontaktowego.

    REAL WORDS

    Reviews from real folks.

    LIAM JOHNSON dał ocenę: 4
    “It’s not just a drink. It’s a vibe. I sip it when I want to slow down.”
    Liam
    JAKE PARKER dał ocenę: 5
    “Frusento changed how I think about non-alcoholic drinks. It actually tastes alive.”
    Jake
    JAKE PARKER dał ocenę: 5
    “Frusento transformed my perspective on non-alcoholic beverages.”
    Jake
    LIAM JOHNSON dał ocenę: 1
    “It’s not just a drink. It’s a vibe. I sip it when I want to slow down.”
    Liam