Przejdź do głównej treści

Eumat24 – hydraulika siłowa od 1992 roku

Fachowe doradztwo • Sprawdzone rozwiązania • Szybka realizacja wysyłek
Kontakt
Koszyk

Zawór zwrotny bliźniaczy VBPDE 3/8" zamek, zabezpieczenie siłownika, przepływ 35L/min

OLEODINAMICA MARCHES
Przejdź do sekcji Opinie
Udostępnij
Cena 81,70 zł
Dostępność:
dostępny

Zamów do 12:00 a wyślemy jeszcze dziś!

Przystosowany do siłowników dwustronnego działania, blokuje siłownik w obu kierunkach. Zapewnia stabilizację tłoczyska w momencie, gdy nie sterujemy rozdzielaczem, a na siłownik działają duże siły. Blokada zwalnia się, gdy zaczniemy sterować rozdzielaczem

Przejdź do pełnego opisu
szt.
Dostawa od 16,99 zł - InPost Paczkomat® 24/7

Przewidywalny czas dostawy: 1-2 dni robocze.

Opis

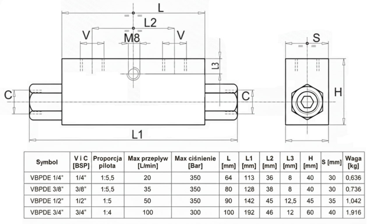
ZAWÓR HYDRAULICZNY ZWROTNY "ZAMEK" VBPDE 3/8"

  DO SIŁOWNIKA DWUSTRONNEGO DZIAŁANIA



 Zawór zwrotny sterowany bliźniaczy inaczej "zamek" służy do blokowania ruchu tłoczyska siłownika 

obu kierunkach. Zapewnia stabilizację pozycji tłoczyska w momencie, gdy nie sterujemy rozdzielaczem  

a na siłownik działają duże siły. Blokada zaworu przestaje działać w momencie, gdy zaczniemy sterować 

rozdzielaczem hydraulicznym.

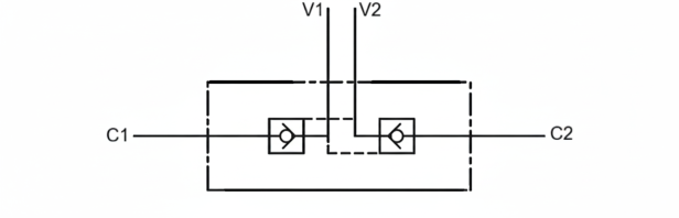
Podłącz V1 i V2 do linii zasilających np. sekcji w rozdzielaczu hydraulicznym.

 Podłącz C1 i C2 do odbiornika np. siłownika dwustronnego działania.

 Przepływ z V1 do C1 i z V2 do C2 jest całkowicie zablokowany, gdy na V1 i V2 nie działa ciśnienie.

 Przepływ z V1 do C1 i z V2 do C2 otwiera się, gdy na V1 lub V2 działa ciśnienie.

 Maksymalny przepływ: 35 L/min

Ilość otworów hydraulicznych w korpusie: 4

 Gwinty wewnętrzne w korpusie: 3/8''

 Materiał: stal galwanizowana

Dopuszczalne maksymalne ciśnienie: 350 bar

  Ciśnienie otwarcia przepływu z V do C: 3 bar

Dopuszczalna temperatura otoczenia: -40 C do +60 C  

Dopuszczalna temperatura oleju: -15 C do +80 C

Typ oleju: Olej hydrauliczny  




Atrybuty

Podstawowe

  • Stan Nowy

Opinie

Liczba ocen: 0
Oceń i opisz

✅️ Wyświetlane są wszystkie opinie (pozytywne i negatywne). Nie weryfikujemy, czy pochodzą one od klientów, którzy używali produktu lub kupili dany produkt. Możemy moderować opinie, co oznacza, że treści niezgodne z Regulaminem nie będą opublikowane lub mogą być usunięte.

Bestsellery

    Formularz kontaktowy

    Masz pytania dotyczące tego produktu lub potrzebujesz pomocy? Skontaktuj się z nami mailowo, telefonicznie lub za pomocą formularza kontaktowego.

    REAL WORDS

    Reviews from real folks.

    LIAM JOHNSON dał ocenę: 4
    “It’s not just a drink. It’s a vibe. I sip it when I want to slow down.”
    Liam
    JAKE PARKER dał ocenę: 5
    “Frusento changed how I think about non-alcoholic drinks. It actually tastes alive.”
    Jake
    JAKE PARKER dał ocenę: 5
    “Frusento transformed my perspective on non-alcoholic beverages.”
    Jake
    LIAM JOHNSON dał ocenę: 1
    “It’s not just a drink. It’s a vibe. I sip it when I want to slow down.”
    Liam